首页
公司介绍
新闻动态
产品展示
人力资源
联系我们
产品展示
新品推荐
促销产品
现场仪表部分
盘装仪表部分
TG系列小型化插装仪表部分
KG系列条形仪表部分
联系我们
地址:江苏省常州市横山桥
总机:0519-88610730 88612955
销售热线:0519-88601936 88612966
传真:0519-88607672 88230550
E-mai:sanyuan@syzdh.com
您的当前位置:首页 / 产品展示
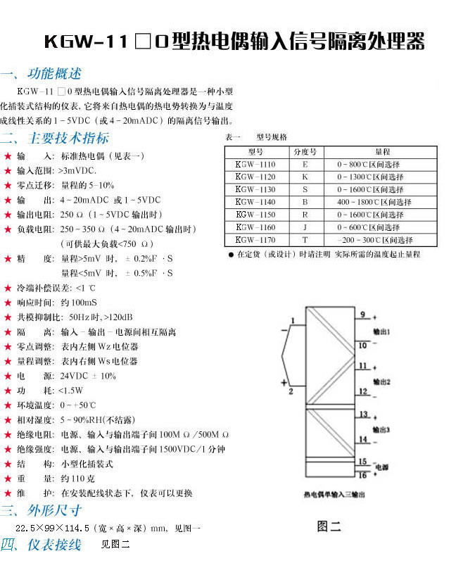
▲KGW-11□O型热电偶输入信号隔离处理器
首页
公司介绍
新闻动态
产品展示
人力资源
联系我们
常州市三元自动化仪表有限公司
苏ICP备18014724号
技术支持:
常州迅捷网络